2010 hyundai elantra engine diagram

SOLVED: Need timing marks for 96 hyundai accent 1.5 sohc - Fixya we have 9 Images about SOLVED: Need timing marks for 96 hyundai accent 1.5 sohc - Fixya like 39160-37110 - Genuine Hyundai RELAY ASSEMBLY-POWER, 2010 Hyundai Accent Radio Wiring Diagram - Wiring Diagram and also Hyundai Elantra: Description of ESC - Description and Operation - ESC. Here it is:

SOLVED: Need Timing Marks For 96 Hyundai Accent 1.5 Sohc - Fixya

SOLVED: Need timing marks for 96 hyundai accent 1.5 sohc - Fixya www.fixya.com

fixya elantra sohc tiburon pulley tdc skifte hjelpe reim meg kan autozone

Hyundai Elantra: Camshaft Position Sensor (CMPS) Schematic Diagrams

Hyundai Elantra: Camshaft Position Sensor (CMPS) Schematic Diagrams www.hemanual.org

camshaft sensor cmps position hyundai schematic diagrams elantra diagram

Fuel Pump Replacement Instructions Please?: Where Can I Get A

Fuel Pump Replacement Instructions Please?: Where Can I Get a www.2carpros.com

2004 diagrams

Hyundai Elantra: Description Of ESC - Description And Operation - ESC

Hyundai Elantra: Description of ESC - Description and Operation - ESC www.hemanual.org

esc kia system sportage diagram esp 2007 electronic light rio abs brake stability input output operation hyundai program elantra liter

Hyundai Elantra: Schematic Diagrams - Cruise Control System - Engine

Hyundai Elantra: Schematic Diagrams - Cruise Control System - Engine www.hemanual.org

diagram block system schematic control hyundai diagrams cruise engine kia elantra outline parts function forte electrical manual component

Fuse Box Diagram Hyundai Elantra (HD; 2007-2010

Fuse Box Diagram Hyundai Elantra (HD; 2007-2010 fuse-box.info

elantra fuse hyundai box 2007 location diagram

2010 Hyundai Accent Radio Wiring Diagram - Wiring Diagram

2010 Hyundai Accent Radio Wiring Diagram - Wiring Diagram wiring121.blogspot.com

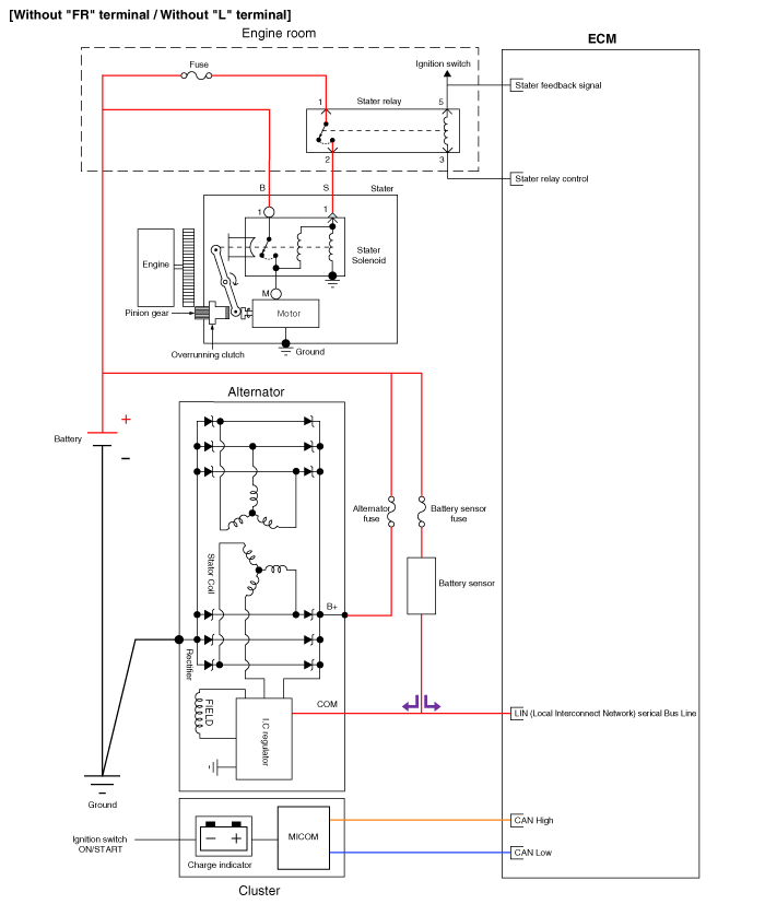
Hyundai Elantra: Schematic Diagrams - Charging System - Engine

Hyundai Elantra: Schematic Diagrams - Charging System - Engine www.hemanual.org

schematic sedona diagram kia diagrams elantra hyundai circuit system charging

39160-37110 - Genuine Hyundai RELAY ASSEMBLY-POWER

39160-37110 - Genuine Hyundai RELAY ASSEMBLY-POWER www.hyundaipartsdeal.com

hyundai diagram relay power wiring sonata engine assembly 2007 listed reference above genuine

Hyundai elantra: description of esc. Fuel pump replacement instructions please?: where can i get a. Camshaft sensor cmps position hyundai schematic diagrams elantra diagram