car radio circuit diagram sony

Sony Cdx-Gt10W Radio Wiring Diagram - Sony Cdx Gt310 317ee Pinout we have 9 Pictures about Sony Cdx-Gt10W Radio Wiring Diagram - Sony Cdx Gt310 317ee Pinout like ☑ Sony Car Stereo Wiring Diagram, Sony Cdx-Gt10W Radio Wiring Diagram - Sony Cdx Gt310 317ee Pinout and also Aftermarket Car Stereo Wiring Color Codes - A Professionals Opinion. Read more:

Sony Cdx-Gt10W Radio Wiring Diagram - Sony Cdx Gt310 317ee Pinout

Sony Cdx-Gt10W Radio Wiring Diagram - Sony Cdx Gt310 317ee Pinout gouldiini2.blogspot.com

sony cdx 52wx4 xplod umlib harness srv2

Aftermarket Car Stereo Wiring Color Codes - A Professionals Opinion

Aftermarket Car Stereo Wiring Color Codes - A Professionals Opinion www.foraudiogeeks.com

wiring pioneer jvc jensen foraudiogeeks kenwood

Aftermarket Car Stereo Wiring Color Codes - A Professionals Opinion

Aftermarket Car Stereo Wiring Color Codes - A Professionals Opinion foraudiogeeks.com

wiring stereo diagram harness aftermarket codes alpine

2013 Road Glide Stereo Wiring Diagram / 2013 Road Glide Stereo Wiring

2013 Road Glide Stereo Wiring Diagram / 2013 Road Glide Stereo Wiring erantujo.blogspot.com

hdforums

Pin By Nichole Cobb On Offroad | Kenwood Car, Wire, Diagram

Pin by Nichole Cobb on offroad | Kenwood car, Wire, Diagram www.pinterest.com

wiring diagram kenwood harness sony kdc avh pioneer xplod radio cdx colors stereo annawiringdiagram manual books needs equation software unit

Lm311 And Ir2110 Class D Audio Amplifier Circuit - SHEMS

lm311 and ir2110 class d audio amplifier circuit - SHEMS stone.umelecforum.ru

vfet ampli ir2110 lm311 discrete amplificatore n88 amplifiers schemi fet amplificator tokin

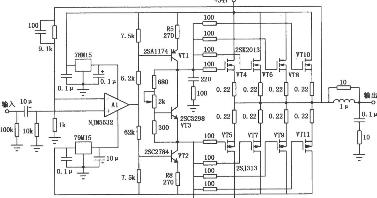
50 Watt Mosfet Audio Power Amplifier - Another Electronics Circuit

50 Watt Mosfet Audio Power Amplifier - Another Electronics Circuit another-electronics.blogspot.com

amplifier mosfet power audio circuit watt diagram schematics

WIRING DIAGRAM 2001 TAHOE EVAP SOLENOID - Auto Electrical Wiring Diagram

WIRING DIAGRAM 2001 TAHOE EVAP SOLENOID - Auto Electrical Wiring Diagram edu-apps.herokuapp.com

evap

☑ Sony Car Stereo Wiring Diagram

☑ Sony Car Stereo Wiring Diagram teszem-veszem.blogspot.com

wiring diagram stereo sony radio xplod harness wire audio kenwood installation excellent shape pioneer database guide focus lights

Wiring stereo diagram harness aftermarket codes alpine. Wiring diagram kenwood harness sony kdc avh pioneer xplod radio cdx colors stereo annawiringdiagram manual books needs equation software unit. Wiring diagram 2001 tahoe evap solenoid