club car carryall relay diagram

92 Club Car Wiring Diagram we have 9 Images about 92 Club Car Wiring Diagram like 2008-2012 Club Car Carryall 295, 295 SE, XRT 1550, 1550 SE Diesel, Forward and Reverse Switch - Powerdrive Electric Vehicle and also 2008-2012 Club Car Carryall 295, 295 SE, XRT 1550, 1550 SE Diesel. Read more:

92 Club Car Wiring Diagram

92 Club Car Wiring Diagram wiringdiagramsx.blogspot.com

golfcartpartsdirect

36 Volt Club Car Wiring Diagram

36 Volt Club Car Wiring Diagram prsteyer.blogspot.com

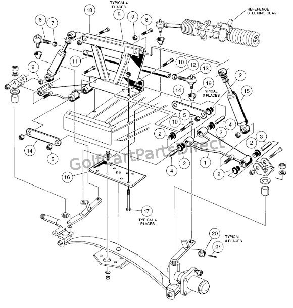
ezgo iq golfcartpartsdirect diagrams carryall 48v susp powerdrive turf

2008-2012 Club Car Carryall 295, 295 SE, XRT 1550, 1550 SE Diesel

2008-2012 Club Car Carryall 295, 295 SE, XRT 1550, 1550 SE Diesel www.repairmanual.com

club 1550 xrt manual carryall se diesel service golf cart 2008

[DIAGRAM] 03 Club Car Controller Diagram FULL Version HD Quality

[DIAGRAM] 03 Club Car Controller Diagram FULL Version HD Quality wiring28.pasticceriavagofabio.it

schematics clubcar

Wiring Diagram For Ezgo Rxv - Complete Wiring Schemas

Wiring Diagram For Ezgo Rxv - Complete Wiring Schemas wiring89.blogspot.com

ezgo rxv

Club Car Lights Wiring Diagram - Wiring View And Schematics Diagram

Club Car Lights Wiring Diagram - Wiring View and Schematics Diagram www.wiringview.co

relay

Forward And Reverse Switch - Powerdrive Electric Vehicle

Forward and Reverse Switch - Powerdrive Electric Vehicle golfcartpartsdirect.com

switch reverse forward electric club powerdrive vehicle golfcartpartsdirect parts

Micro Switch Wiring Diagram Fe290

Micro Switch Wiring Diagram Fe290 wiringall.com

switch diagram wiring micro fe290 pedal start ignition engine club circuit gas

Columbia Par Car 48v Wiring Diagram - Wiring Diagram

Columbia Par Car 48v Wiring Diagram - Wiring Diagram wiringdiagram.2bitboer.com

columbia wiring diagram par golf cart ezgo volt 48v club battery serial gas electric parcar series engine schematron diagrams service

Ezgo rxv. Ezgo iq golfcartpartsdirect diagrams carryall 48v susp powerdrive turf. Club 1550 xrt manual carryall se diesel service golf cart 2008